- 首页
- >
- 产品
- >
- 垂直安装型蛇簧联轴器
- >
垂直安装型蛇簧联轴器
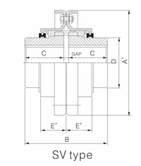
KUDOSWORLD垂直安装型蛇簧联轴器是一种双弯曲、紧密耦合的通用设计,非常适合更高的运行速度。
具有垂直分割盖,允许在不移动连接设备的情况下更换蛇形弹簧
KUDOSWORLD垂直安装型蛇簧联轴器23 种尺寸,从 SV20 到 SV240。
- KUDOSWORLD
- 德国
- 4-6 个工作周
- 3,000 套/年
- 信息
- 视频
- 下载
KUDOSWORLD垂直安装型蛇簧联轴器有 23 种尺寸,从 SV20 到 SV240。


-蛇形弹簧部分860-870℃淬火和300-450℃回火处理。
-蛇形弹簧部分防腐:粉末(蓝色)喷在表面上,直至均匀分布并完全覆盖
-轮毂材料:SM45C
-封面材料: 钢
-CNC加工后的同心度测试。
-表面经过处理和清洗后进行防腐处理。
-组装后的尺寸检查

安装说明
1. 清洁金属部件,需要将轮毂安装在轴上,表面涂有油脂。然后在密封圈上轻轻涂抹一层润滑脂。
2. 清洁金属部件,需要将轮毂安装在轴上,表面涂有油脂。然后在密封圈上轻轻涂抹一层润滑脂。
3. 用尺子平行圆周调整误差为90 用千分尺调整轴误差更准确。这些尺寸在联轴器安装的允许范围内。
4. 安装蛇簧前将润滑脂填满轴毂间距和凹槽。轻轻地把弹簧扣入联轴器轴毂的牙槽内,用软木棰敲入。当弹簧是由两端或多段组成时,安装时要让所有的断口端都朝同一个方向,这将可以保证弹簧跟半外壳上的止转块正确接触。
5. 用尽可能多的润滑剂填充蛇形弹簧之间和周围的任何空隙。擦去多余的润滑脂,使剩余的润滑脂与蛇形弹簧顶部齐平。将轮毂密封定位到与阀盖上的沟槽对齐。将垫圈定位在下盖半法兰上,将两个罩壳组装在一起,使匹配标记位于同一侧面。如果轴不是水平的,或如果联轴器是垂直使用,使罩壳匹配标志处于在高的一边。尽可能地将垫圈推入密封装置中,拧紧紧固件。拧紧紧固件拧紧时应确保垫圈不移动位置。
6. 安装后,壳体两半对应的匹配标记应在同一侧。安装完毕后再检查一次。在联轴器正式工作之前,确保所有部件都安装正确。联轴器与设备轴紧密连接,油塞安装在注油孔内。
***勿让沙尘、煤粉等异物进入槽内,否则会使齿槽迅速磨损,以至于联轴器过快报废。


润滑与处理
润滑脂润滑:将蛇簧与半联轴节组装后涂润滑脂,再组装罩壳且通过注油口加润滑脂。
润滑脂的补充及更换:每个月或者运转240~250小时后加一次油;每三个月或者使用4000小时后将联轴器完全拆卸,将已变质的润滑脂更换补充。
润滑脂的选择:润滑脂的使用温度为-17º~70ºC,需要选择符合运转条件与工作环境的润滑脂。
润滑脂推荐
品牌 | 润滑脂 |
GULF | Gulf Crown Grease #2 |
SHELL | Alvania Grease #2 |
TEXACO | Marfak Heavy Duty #2 |
MOBIL | Mpbilux #2 |
我们的物流:
付款方式: 预付款+发货款,代理老客户预付款特别优惠,
送货: 根据不同的产品类型和订单数量,小型号可以在4-6周内发货,大型号可以在10-12周内发货
邮寄方式: 海运、空运、国际快递(小型号+小数量),支持EXW、离岸价、CIP等ITEM
